Home - Web Shop - Leveranciers - Nieuws - Technisch - Oplossingen - Contact - Links - Producten - Dealers
Rotorclamp CTB

Materiaal : Verenstaal volgens SAE 1060-109 / Afwerking : Meachinisch verzinkt

CTB's zijn is een zeer goed alternatief voor andere types van bandveerklemmen, maar compromitteren kwaliteit of en betrouwbaarheid. CTBs worden gebruikt op dergelijke toepassingen zoals kleine motoren, landbouw en nutsvoertuigen, automobielsystemen en toestellen.
Rotorclamp CTB
 
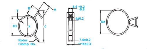
CTB. nr.
Bandbreedte
Band dikte
( T )
Nom. slang
diameter
( mm )
Min. diameter
( ID ) D1
Max. diameter
( ID )
CTB-13
15 mm
0.51 mm
5.9 mm
5.33 mm
6.35 mm
CTB-14
15 mm
0.38 mm
7.1 mm
6.10 mm
7.62 mm
CTB-15
15 mm
0.51 mm
7.1 mm
6.10 mm
7.62 mm
CTB-16
15 mm
0.76 mm
7.9 mm
7.65 mm
8.76 mm
CTB-17
15 mm
0.51 mm
9.5 mm
8.15 mm
10.29 mm
CTB-19
15 mm
0.51 mm
9.5 mm
8.51 mm
10.41 mm
CTB-20
15 mm
0.64 mm
10.3 mm
9.53 mm
11.43 mm
CTB-22
15 mm
0.64 mm
11.1 mm
10.29 mm
12.32 mm
CTB-23
15 mm
0.64 mm
11.9 mm
10.92 mm
13.08 mm
CTB-24
15 mm
0.76 mm
12.7 mm
11.68 mm
13.84 mm
CTB-25
15 mm
0.76 mm
13.5 mm
12.45 mm
14.55 mm
CTB-26
15 mm
0.76 mm
14.3 mm
12.70 mm
15.77 mm
CTB-27
15 mm
0.76 mm
14.3 mm
13.21 mm
15.37 mm
CTB-29
15 mm
0.76 mm
15.1 mm
13.72 mm
16.51 mm
CTB-30
15 mm
0.76 mm
15.9 mm
14.81 mm
16.97 mm
CTB-32
15 mm
0.76 mm
16.7 mm
15.75 mm
18.42 mm
CTB-35
15 mm
0.76 mm
17.5 mm
14.81 mm
18.29 mm
CTB-36
15 mm
1.14 mm
17.5 mm
16.23 mm
18.01 mm
CTB-38
15 mm
0.76 mm
17.5 mm
16.64 mm
19.05 mm
CTB-40
15 mm
1.27 mm
18.3 mm
17.40 mm
19.69 mm
CTB-42
15 mm
0.76 mm
19.1 mm
16.38 mm
21.03 mm
CTB-44
15 mm
1.02 mm
20.6 mm
19.05 mm
22.86 mm
CTB-46
15 mm
1.02 mm
22.2 mm
20.58 mm
24.64 mm
CTB-47
15 mm
1.14 mm
23.8 mm
21.84 mm
26.16 mm
CTB-50
15 mm
1.14 mm
25.4 mm
23.11 mm
27.43 mm
CTB-51
15 mm
0.89 mm
26.2 mm
24.13 mm
28.70 mm
CTB-53
15 mm
1.14 mm
27.0 mm
24.64 mm
29.97 mm
CTB-55
15 mm
1.14 mm
28.6 mm
26.42 mm
31.50 mm
CTB-58
15 mm
1.14 mm
30.2 mm
27.94 mm
32.51 mm
CTB-61
15 mm
1.14 mm
31.8 mm
29.97 mm
36.83 mm
CTB-67
15 mm
1.14 mm
38.1 mm
34.29 mm
42.42 mm

 

* De vetgedrukt artikelen zijn uit voorraad fabriek leverbaar.

rotorclamp Download hier het CTB specificatie blad

rotorclamp
rotorclamp
rotorclamp

 

 

All site images and content copyright © 2007, 2007 Industrial Quality Parts. All rights reserved.
Site design and maintenance by Industrial Quality Parts.